相关网站
语言



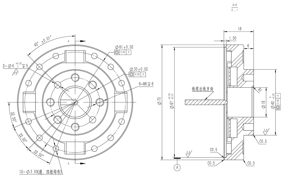
| 产品型号 | KWR70N75 |
| 额定量程 | 75 N·m |
| 信号输出 | 485通信 |
| 供电电压 | 5 V |
| 非线性 | ≤0.5% F.S. |
| 滞后 | ≤0.5% F.S. |
| 工作温度范围 | 0 ~ +80 ℃ |
| 安全过载 | 150% F.S. |
| 极限过载 | 200% F.S. |
| 侧向极限弯矩 | 70 N·m |
| 轴向极限载荷 | 3840 N |
| 侧向极限载荷 | 5510 N |
| 扭转角度(计算) | 0.029° |
| 扭转刚度 | 148.3 kN·m/Rad |
| 防护等级 | IP65 |
| 产品重量 | 0.3 kg |

截屏,识别二维码
微信二维码
(点击复制 微信二维码)
截屏,识别二维码
抖音二维码
(点击复制 抖音二维码)
截屏,识别二维码
微博二维码
(点击复制 微博二维码)
截屏,识别二维码
手机二维码
(点击复制手机二维码)